直流高壓發生器是發生器適用于各種電力部門、企業動力部門對氧化鋅避雷器、電力電纜、發電機、變壓器、開關等設備進行直流高壓試驗和泄漏 電流試驗的電力設備,是根據新的中國電力行業標準DL/T848.1-2004《直流高壓發生器通用技術條件》設計制造的新一代便攜式直流高壓試驗器。具有重量輕,體積小,操作方便的特點,下面,儀天成電力設備有限公司就直流高壓發生器操作步驟做出如下講解:
如做容性負載時,應接入限流電阻
1試驗器在使用前應檢查其完好性,聯接電纜不應有斷路和短路,設備無破裂等損壞。
2.將機箱、倍壓筒放置到合適位置分別聯接好電源線、電纜線和接地線,保護接地線與工作接地線以及放電棒的接地線均應單獨接到試品的地線上(即一點接地)。嚴禁各接地線相互串聯。為此,應使用DHV專用接地線。
3.電源開關放在關斷位置并檢查調壓電位器應在零位。過電壓保護整定值一般為試驗電壓的1.1倍。
4.空載升壓驗證過電壓保護整定是否靈敏。
5.接通電源開關,此時紅燈亮,表示電源接通。
6.按綠色按鈕,則綠燈亮,表示高壓接通。
7.順時針方向平緩調節調壓電位器,輸出端即從零開始升壓,升至所需電壓后,按規定時間記錄電流表讀數,并檢查控制箱及高壓輸出線有無異常現象及聲響。
8.降壓,將調壓電位器回零后,隨即按紅色按鈕,切斷高壓并關閉電源開關。
9.對試品進行泄漏及直流耐壓試驗。在進行檢查試驗確認試驗器無異常情況后,即可開始進行試品的泄漏及直流耐壓試驗。將試品、地線等聯接好,檢查無誤后即打開電源。
10.升壓至所需電壓或電流。升壓速度以每秒3—5kV試驗電壓為宜。對于大電容試品升壓時還需監視電流表充電電流不超過試驗器的最大充電電流。對小電容試品如氧化鋅避雷器、磁吹避雷器等先升至所需電壓(電流)的95%,再緩慢仔細升至所需的電壓(電流)。然后從數顯表上讀出電壓(電流)值。如需對氧化鋅避雷器進行0.75UDC—1mA測量時,先升至UDC1mA電壓值,然后按下黃色按鈕,此時電壓即降至原來的75%,并保持此狀態。此時可讀取電流。測量完畢后,調壓電位器逆時針回到零,按下綠色按鈕。需再次升壓時按綠色按鈕即可。
必要時用外接高壓分壓器比對控制箱上的電壓。
11.試驗完畢,降壓,關閉電源。
12.幾種測量方法
a.一般測量時,當接好線后,先把聯接試品的線懸空,升到試驗電壓后讀取空試時的電暈和雜散電流I,然后接上試品升到試驗電壓讀取總電流Ⅰ1;試品泄漏電流:Io =Ⅰ1—I’
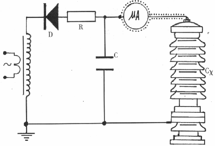
b.當需要精確測量被試品泄漏電流時,則應在高壓側串入高壓微安表(見下圖)

微安表必須有金屬屏蔽,應采用屏蔽線與試品聯接。高壓引線的屏蔽引出應與儀表端的屏蔽緊密聯接。如果試品表面污穢要排除試品表面泄漏電流的影響可在試品高電位端用裸金屬軟線緊密繞幾圈后與高壓引線的屏蔽相聯接(見下圖)。

c.對氧化鋅、磁吹避雷器等試品接地端可拆開的情況下,也可采用在試品的底部(地電位側)串入電流表進行測量的方式。 當要排除試品表面泄漏電流的影響,可用軟的裸銅線在試品地電位端繞上幾圈并與屏蔽線的屏蔽相聯接(見下圖)

13.對于氧化鋅避雷器等小電容試品一般通過測壓電阻放電時間很快。而對電纜等大電容試品一般要待試品電壓自放電至試驗電壓的20%以下,再通過配套的放電棒進行放電。待試品充分放電后掛好接地線,才允許進行高壓引線的拆除和更換接線工作。
14.保護動作后的操作
在使用過程中發現綠燈滅,紅燈亮,電壓下降,即為有關保護動作。此時應關閉電源開關,面板指示燈均不亮。將調壓電位器退回零位,一分鐘后待機內低壓電容器充分放電后才允許再次打開電源開關。重新進行空載試驗并查明情況后可再次升壓試驗。
湖北儀天成電力設備有限公司
2018年8月30日